
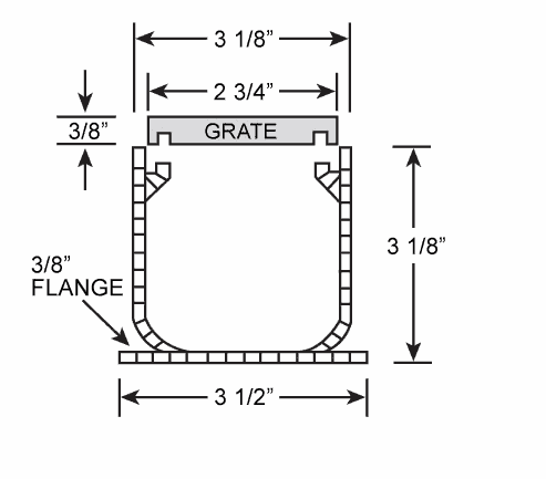
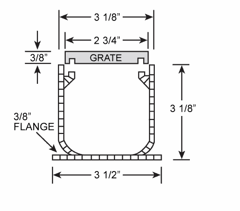
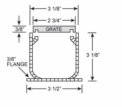
The TDS Max Mini™ is an enhanced NDS® Sand Mini Channel system that features oil-rubbed bronze edging and cast iron grates in the exclusive Tardis pattern. Max Mini™ is a linear, non-sloped system built for light traffic applications such as patios and walkways. The channel is UV-protected and manufactured from durable lightweight polyolefin plastic. This kit includes the heelproof and ADA-compliant TDS Bronze Age™ cast iron grate in the Tardis pattern with a BoOF (Baked-on Oil Finish).
Available online in pre-assembled 6, 12, 18, and 24-foot kits; custom system lengths are available. Request a Quote.
This system has a Load Class rating of A or B if properly installed; see the specification sheet for details.
Specification Sheet for Max Mini™
Each pre-assembled kit includes:
Please note that all raw cast-iron grates begin to naturally rust with exposure to any form of moisture and will appear bright orange before settling to brown. With the Baked-on Oil Finish, the grates will still minutely rust, but not to the same extreme as a raw cast iron grate. 