
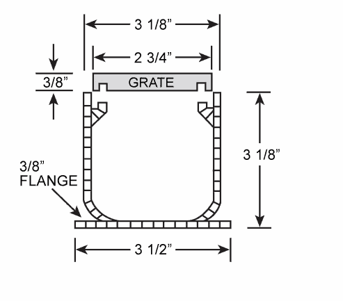
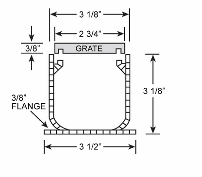
Mini Channel plastic drain is a non-sloped system built for light traffic applications such as pools, patios, and walkways. The channel is UV protected and manufactured from durable lightweight polyolefin. This kit has a polyolefin grate in the Wave pattern by NDS in Black. Note: The Wave grate overlaps and covers the channel's top edge.
Available online in 6, 12, 18 and 24 foot kits; custom system lengths are available by calling 610-882-3630.
Mini Channel Installation Guide
Each kit includes: