
Mini Channel plastic drain is a non-sloped system built for light traffic applications such as pools, patios, and walkways. The channel is UV protected and manufactured from durable lightweight polyolefin. This kit has a cast iron grate in the Interlaken pattern by Iron Age with a Baked on Oil Finish.
Available online in 6, 12, 18 and 24 foot kits; custom system lengths are available by calling 610-638-1221.
This system has a Load Class rating of A but can be rated for a B Load Class if properly installed; see the installation guide for details.
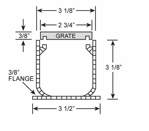
NDS Mini Channel Specifications
Mini Channel Installation Guide