
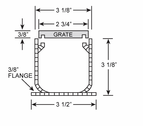
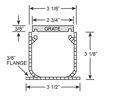
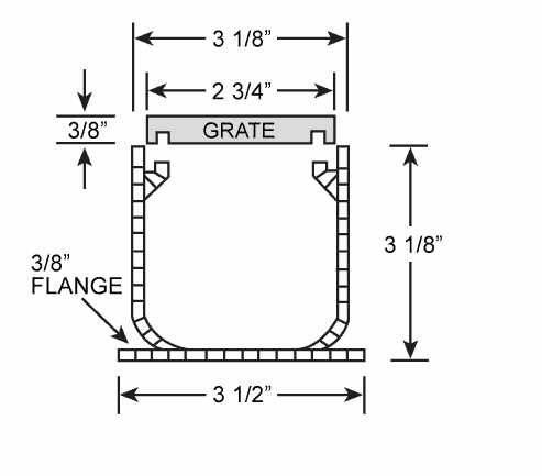
Mini Channel plastic drain is a non-sloped system built for light traffic applications such as pools, patios, and walkways. The channel is UV-protected and manufactured from durable lightweight polyolefin. This kit has a cast iron grate in the Carbochon pattern by Iron Age with a Baked on Oil Finish.
Available online in 6, 12, 18 and 24-foot kits; custom system lengths are available by calling 610-638-1221.

This system has a Load Class rating of A but can be rated for a B Load Class if properly installed; see the installation guide for details.
Specification Sheet for IA-CARB-0314 grate
NDS Mini Channel Specifications
Mini Channel Installation Guide
* Carbochon grates are 14-1/8" long. Mini channel will need to be trimmed to accommodate grate length. Actual installed kit lengths are listed below: